鉅大鋰電 | 點擊量:0次 | 2018年05月09日
單體電池電壓含義 單體電池電壓檢測技術
一、引言
隨著純電動車及混合動力車的發展,作為重要儲能設備的串聯電池組是影響整車性能的一個關鍵因素。
延長電池壽命,提高電池的使用效率是電動汽車商品化、實用化的關鍵。由于水桶效應的存在,串聯電池組的整體性能取決于電池組中性能最差的單體電池,為了能夠對串聯電池組的能量使用進行有效管理,需要實時監視串聯電池組中的單體電池狀態。在表征電池狀態的參數中,電池的端電壓最能體現其工作狀態,因此精確采集電池組中各個單體電池電壓十分重要。
二、現有單體電池檢測方法
目前單體電池電壓測量方法有許多,主要可歸納為分壓電阻降壓、浮動地測量、模擬開關選通等幾種方法,下面就這些方法做一個分析:
1、電阻分壓法
電阻分壓法主要是通過電阻分壓將實際電壓衰減到測量芯片可接受的電壓范圍,然后進行模數轉換。U1對應BT1的電壓,Un-1對應從BT1到BTn-1之間的電壓,Un對應整個電池組的電壓,如圖1所示。這種方法測量方面,成本低,壽命長,但是存在累積誤差,且無法消除。隨著單體電池數的增多,單體電池電壓測量誤差會隨著共模電壓的增大而增大。

圖1 電阻分壓方案
2、浮動地測量法
使用浮動地技術測量電池端電壓時,窗口比較器會自動判斷當前低電位是否合適。如果合適直接啟動模數轉換進行測量;如果太高或太低,則通過微控制器經數模對低電位進行浮動控制使低電位處于合適的狀態下。該方案由于低電位經常受現場干擾而變化,不能對低電位進行精確控制,影響整個系統的測量效果。
3、模擬開關法
采用模擬開關的方案通過模擬開關選擇測量通道,每個通道采用運算放大器組成線性采樣電路。當選中需要進行測量的通道后,模擬開關的輸出經電壓跟隨器送入模數轉換器進行模數轉換。該方法根據串聯電池組總電壓的大小,選擇適當的放大倍數,不必電阻分壓網絡或改變低電位就可以直接測量任意一只電池的電壓,測量方便。但是該方法需要數量眾多的運放和精密匹配電阻,成本高,且電阻的分散性會導致測量結果分散性較高。
文獻[4]提出采用開關矩陣構建測量電路,該方案成本低,測量精度高,但是需要絕對值電路。文獻[5]采用運算放大器結合繼電器的方法,可以克服溫漂問題,但是與采用模擬開關的方法一樣,也需要大量的運算放大器和繼電器,且繼電器會有壽命問題。
三、新型單體電池電壓檢測方法
1、整體方案
由于差分放大器可以克服共模信號的干擾,而只對差分信號進行處理。利用開關矩陣把每個單體電池的兩端引出,即可進行端電壓的測量而不受到其它電池的影響。該方案整體結構如圖2所示,當SB1和SB2閉合時,其它開關都關斷,電池BT1的兩端電位分別接入差分放大器的正端和負端,經過差分放大器放大后送入模數轉換器進行模數轉換;當SB2和SB3閉合而其它開關都關斷時,電池BT2的兩端電位進行差分放大器的正端和負端,依次類推可以測量所有電池組中的單體電池電壓。

圖2 拓撲圖
每節鋰離子電池最高電壓為5V,由圖3可得,第1個INA117的3腳的輸入電勢最高為40V.同理,第16個INA117的2腳輸入電勢最低為-40V.第1至8個INA117的輸出電壓為正,第9至16個INA117的輸出電壓為負,所以多選一模擬開關和A/D轉換器都要求可以輸入正、負電壓。多選一模擬開關選用MUX16,為16選1可正負電壓輸入模擬開關,因此16節電池只需1個MUX16.但由于單片機IO口有限,文中用一片74LS154擴展了IO口,僅用單片機的4個IO口即可控制MUX16分別選通單節鋰離子電池進行電壓采樣。

圖3 16個INA117的共地點接法
1.3A/D轉換器
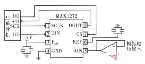
監測電池組無需用很高的采樣速度采樣每節電池的電壓,16節電池電壓的采樣共用1個A/D轉換器[4]。各節電池輸入的測量電壓通過多選一模擬開關MUX16與A/D轉換器連接。根據電池電壓的更新周期和電壓要求,A/D轉換器傳送給單片機的電壓轉換值誤差最大為10mV.選擇美信公司MAX1272.
MAX1272是具有故障保護、可通過軟件選擇輸入范圍的12位串行模擬數字轉換器,使用SPI三線通信協議,+5V供電,模擬輸入電壓范圍0~10V,0~5V,±10V,±5V.內部自帶+4.096V參考電壓。當采用內部+4.096V參考電壓時,理想情況下模擬電壓輸入對應的數字輸出,如表1所示。

表1 理想情況下模擬電壓輸入對應的數字輸出
由表1可知,MAX1272輸出的數字量最高位是符號位,余下的11位是數據。負數以補碼的形式給出。
參考電壓為+4.096V時,1LSB=1.2207mV.
MAX1272的最大量化誤差,加上非線性、失調等誤差的影響,總誤差約為5mV.INA117精度高,正常情況下,誤差在1mV以內。因此,使用INA117和MAX1272的組合,可以滿足串聯鋰離子電池組電池監測系統在電壓誤差10mV以下的要求。需要更高的電壓精度,需要選用更高分辨率的A/D轉換器。
MAX1272的線路連接圖如圖4所示。

圖4 MAX1272的線路連接圖
圖4中MAX1272采用了內部參考電壓,6腳VREF和地之間接2.2μF鉭電容和0.1μF陶瓷電容。
PCB布線時,這兩個電容都要求盡量接近MAX1272。
1.4溫度監測
針對串聯電池組,傳統的測溫方法多采用模擬溫度傳感器進行測量,在數據的采集和傳輸過程中易受外界環境的干擾,從而使測得的結果誤差較大,且當測量點較多時,連線較復雜。文中采用單片機和單總線數字式溫度傳感器DS18B20來解決上述問題[5].其原理如圖5所示。

圖5 溫度巡回檢測系統框圖
采用外部5V供電,總線上可掛接多片DS18B20,且可以同時進行精確的溫度轉換,而無需外接驅動電路。測溫范圍-55~+125℃;測溫精度:在-10~+85℃范圍內的精度為±0.5℃;在溫度采集過程中,單片機芯片需對DS18B20發命令字,同時也需要讀取由DS18B20采集到的溫度。因此,單片機控制器的I/O必須被設置為具有雙向傳輸數據能力。
本檢測系統每隔一節鋰離子電池在總線上掛接一片DS18B20,設置8個溫度監測點,同時檢測8點溫度。實際應用時由單片機軟件判斷出需要顯示的溫度值:當溫度高于10℃時,顯示8個溫度點中最高的溫度值;當溫度低于10℃時,顯示8個溫度點中最低的溫度值,達到有效合理的溫度監控效果。
1.5風扇及加熱控制電路
對于電池的散熱問題,設計了風扇控制電路,通過對測量到的電池溫度值進行判斷,決定風扇的開啟或關閉。當溫度過高時,單片機將發出信號開啟風扇。
電路如圖6所示,FAN為低電平時,晶體管9014不導通,此時繼電器無動作;當FAN為高電平時,晶體管9014導通,使得繼電器觸點吸合,風扇在24V電源電壓的供電下開始工作。

圖6 風扇控制電路
對于應用環境復雜的串聯鋰離子電池組,除了要考慮溫度過高的情況,還要考慮溫度過低的情況。因為電池在溫度過低的環境下運行時,會使鋰離子活性變差,嵌入和脫出能力下降,容易在石墨晶體表面沉積,形成鋰金屬。形成的鋰金屬會與電解液發生不可逆的反應。
如果鋰離子電池長期在低溫下工作,則將使電池的容量下降明顯。因此根據需要設計了加熱器控制電路,原理如風扇控制電路。
2監測系統的性能
實測證明,使用INA117、16選1模擬開關MUX16、MAX1272、51單片機和DS18B20的串聯鋰離子電池組監測系統監測16節3.7V鋰離子電池,電壓的測量誤差完全在10mV以內。溫度方面,由于DS18B20精度較高,溫度誤差在1℃以內。電壓和溫度的測量均達到要求,系統運行可靠。當串聯鋰離子電池組任何一節電池電壓<2.2V時,單片機調用輕度報警程序進行聲光報警,并通報存在問題的電池。
當串聯鋰離子電池組任何一節電池電壓>5V時,單片機調用嚴重報警程序進行聲光報警。如果溫度值超出預設溫度值的容許范圍,串聯鋰離子電池組監測系統進行聲光報警。風扇和加熱控制電路均能根據設定溫度正常啟動控制電路。當溫度低于5℃時,啟動加熱控制電路;溫度高于50℃時,啟動風扇控制電路。
3結束語
串聯鋰離子電池組檢測系統,采用高共模抑制比差分運放INA117解決了共地問題,監測電壓誤差正負10mV,如要進一步提高檢測精度,可以選用高位A/D轉換器。檢測時,鋰離子電池是串聯接在檢測模塊上的,要保證接線正確。根據實際應用,可把幾個檢測系統串接起來檢測更多的串聯鋰離子電池組,但要確保共模電壓不超過INA117的最大保護共模電壓范圍。
上一篇:可循環充電超萬次錳氫氣電池問世










